


| Description | Backset | Finish | Item Code
(Square End) |
Item Code
(Round End) |
| TESA Non-Fire Mortise Lockcase | 50 | SS | 403050AI | 40305RAI |
| TESA Non-Fire RatedMortise Lockcase | 50 | Satin Brass | 403050HL | 40305RHL |

| Description | Backset | Finish | Item Code
(Square End) |
Item Code
(Round End) |
| Deadbolt only mortise lockcase | 50 | SS | 4031F5USAI | 4031F5URAI |
| Deadbolt only mortise lockcase | 50 | Satin Brass | 4031F5USHL | 4031F5URHL |

| Description | Finish | Item Code |
| Adapter to make Euro Cylinder
Lockcase into 6mm Privacy Lockcase |
– | TESA ADAPT2034 |



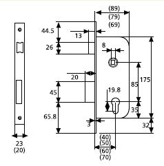
Embedded lock with spring latch and bolt, to be used in combination with a Euro profile cylinder.
85mm centre. 22mm forend with round. 50mm backsets. Reversible spring latch. Holes for mount-ing handles with
Through screws.Body and forend made of steel. Lever Handle Follower: 8mm
Prepare cutout and mill the panel according to the dimension shown in diagram. Secure the lock with Two 4.5x25mm screws. To reverse the spring latch, push it out of the forend by pushing with a screw-druver against the screw on the back, then rotate it.
Cardboard box containing one lock and one screw for fastening the cylinder. The cylinder must be ordered separately.
| Model Description | Forend(mm) | Material | Backset | Finish | Item Code | Note |
| Sicurezza Mortise lock | Round 22×238 | Steel | 50mm | Matt Chromium Plated | B00851.50.34.558 | Includes Strike |
| Sicurezza Mortise lock | Round 22×238 | Steel | 50mm | Enamelled Brass Plated | B00851.50.03.558 | Includes Strike |
| Sicurezza Mortise lock | Round 22×238 | Stainless Steel | 50mm | Stainless Steel | B04851.50.08 | Not Includes strike |
Note: Strike for Stainless Steel lockcase sold separately.
Note: Cover tray for striker/dust boxes sold separately.

| Model Description | Material | Finish | Item Code |
| Stainless Steel Strike | Stainless Steel | Stainless Steel | B04590.11.08 |


Embedded lock with bolt only, to be used in combination with a DIN V1854 profile cylinder. 22mm forend with round ends. 35 to 70 mm backsets. Furnished with the striker, which has the same finish as the forend. Made entirely of steel or with brass forend, bolt and striker.
Install on interior and main timber doors. For applications not requiring a spring latch, or as an extra lock where greater security and protection against forced entry are required.
Prepare cutout and mill the panel according to the dimension shown in the diagram. Secure lock and striker with 4 screws 4x25mm.
Cardboard box containing one lock and one screw for fastening the cylinder and one striker.The cylinder must be ordered separately. Please note that there are no through screw holes for cylinder cover in this lockcase.
Sicurezza Mortise Lock-bolt only
| Model Description | Forend(mm) | Material | Backset(mm) | Finish | Item Code | Note |
| Sicurezza Mortise lock-bolt only | Round 22×168 | Steel | 50mm | Matt Chromium Plated | B00855.50.34 | Includes Strike Plate |
| Sicurezza Mortise lock-bolt only | Round 22×168 | Steel | 50mm | Enamelled Brass Plated | B00855.50.03 | Includes Strike Plate |
Note: Cover tray for striker/dust boxes sold separately. Please check with Fortress Land for project’s specific requirements.


Embedded lock with central spring latch only made of polyamide, a particular non-deformable NYLON that allows maximum resistance against wear and noiseless-ness.
The Key locks the spring latch but allows free movement of handle to prevent accidental forcing of mechanism.
Steel forend, 18mm large with rounded ends. 85mm centre. Steel lockcase with through screw-holes for handle aassembly. Latch can be retracted also with cylinder.
For interior timber doors with rounded edge. Latch reversible at site. The latch can be locked inside the lockcase to make the packing and transport of the doors easier, or inhibit the latch when the door is mounted.
Prepare cutout and mill the door panel according to the dimensions shown in the diagram. Secure the lock with two 3.5x20mm screws. The screws are not included in the pack.
Mediana Evolution – Cylinder verions
| Version | Model Description | Forend(mm) | Material | Backset(mm) | Finish | Item Code |
| Mediana Evolution-Cylinder | Round 18×196 | Steel | 50 | Matt Chromium Plated | B01103.50.34 | |
| Mediana Evolution-Cylinder | Round 18×196 | Steel | 50 | Enamelled Brass Plated | B01103.50.03 |
Note: Please order strike plates separately according to door thickness.
Note: Cover tray for striker/dust boxes sold separately.

Strike plates for Mediana Evolution, Door thick 35mm X=7
| Description | Material | Finish | Item Code |
| Strike Plates | Steel | Matt Chromium Plated | B01402.15.34 |
| Strike Plates | Steel | Enamelled Brass Plated | B01402.15.03 |
Strike plates for Mediana Evolution, Door thick 44mm X=11
| Description | Material | Finish | Item Code |
| Strike Plates | Steel | Matt Chromium Plated | B01402.14.34 |
| Strike Plates | Steel | Enamelled Brass Plated | B01402.14.03 |
| Strike Plates | Steel | Antique Brass Plated | B01402.14.12 |


Embedded lock with central spring latch only made of polyamide, a particular non-deformable NYLON that allows maximum resistance against wear and noiselessness. The bathroom lock blocks the pring latch but allows free movement of handle to prevent accidental forcing of mechanism. Steel forend, 18 mm with rounded ends. Backset 50.96 mm center.6 mm spindle hub. Steel lockcase with through screw holes for hankle assembly.
For interior timber doors with rounded edge. Thanks to the QUICK LATCH patented latch and reversible system. To change the hand of the door push a key or the tip of a screw driver inside the indicated hole, at the same time extract the latch, tun it of 180 and insert it in its hole again. For easier pcackaging and transportation of the finished panel, the spring latch can be secured inside the lockcase by pushing it in and turning the key, to make the packing and transporting of the door easier, or inhibit the latch when door is mounted.
Prepare cutout and mill the panel according to the dimensions shown in the diagram. Secure the lock with two 3.5×20 mm screws.
The striker, selected according to the construction type, must be ordered separately.
Mediana Evolution – Bathroom
| Version | Model Description | Forend(mm) | Material | Backset | Finish | Item Code |
| Mediana Evolution-Bathroom | Round 18×196 | Steel | 50 | Matt Chromium Plated | B01103.50.34 | |
| Mediana Evolution-Bathroom | Round 18×196 | Steel | 50 | Enamelled Brass Plated | B01103.50.03 | |
| Mediana Evolution-Bathroom | Round 18×196 | Steel | 50 | Antique brass plated | B01102.50.12 |
Note: Please order strike plates separately according to door thickness.
Note: Cover tray for striker sold separately.

Strike plates for Mediana Evolution, Door thick 35mm X=7
| Description | Material | Finish | Item Code |
| Strike Plates | Steel | Matt Chromium Plated | B01402.15.34 |
| Strike Plates | Steel | Enamelled Brass Plated | B01402.15.03 |
Strike plates for Mediana Evolution, Door thick 44mm X=11
| Description | Material | Finish | Item Code |
| Strike Plates | Steel | Matt Chromium Plated | B01402.14.34 |
| Strike Plates | Steel | Enamelled Brass Plated | B01402.14.03 |
| Strike Plates | Steel | Antique Brass Plated | B01402.1412 |

| Model Description | Finish | Item Code |
| Cover tray for striker – 38mm hole | Black | B01060.21.93 |
Note: Cover tray for latch hole – Sicurezza & Sicurezza SL

| Model Description | Finish | Item Code |
| Cover tray for striker – 57mm hole | Black | B01060.22.93 |
Note: Cover tray for deadbolt hole – Sicurezza & Sicurezza SL

| Model Description | Finish | Item Code |
| Cover tray for Mediana Evolution striker | Black | B01060.22.93 |
Note: Cover tray latch hole – Mediana Evolution
Security lever handle, bed room lock, bed room lever handle, code handle, digital door lock, interior door security, interior door lock, Fortress Land Security Company Myanmar.